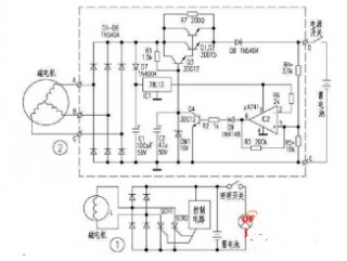
裝置電路如圖所示。磁電機輸出的交流電壓經二極管D1~D6整流後變成脈動直流電壓分兩路輸出。一路由Q1、Q2、Q3、R1、R7、DW1,以及C2組成的典型晶體管串聯穩壓電路穩壓後輸出16V電壓,經D8給蓄電池充電;另一路經D7隔離後由C1濾波、IC1穩壓得到12V直流穩定電壓對運算放大器IC2供電,並且經電阻R6接至IC2的②腳作基準電壓,蓄電池的電壓經R4、R5分壓後送至IC2的③腳作為比較電壓。當蓄電池的電壓低於14。4V時,加至IC2③腳的比較電壓比②腳的12V基準電壓低,運算放大器輸出低電平,Q4截止,Q1~Q3正常工作輸出16V電壓。當蓄電池的電壓高於14。4V時,IC2的③腳比較電壓高於②腳基準電壓,IC2輸出高電平,Q4飽和導通,分流掉流入Q3基極的電流,從而造成Q1Q2的輸出電壓大幅下降,D8截止,停止向蓄電池充電和向電器供電。此時,車上的電器均由蓄電池供電。當蓄電池的電壓再次低於14。4V時,則IC2又輸出低電平,Q1、Q2又正常輸出。顯然,當蓄電池充滿電時,磁電機幾乎工作在空載狀態,而不像常規的矽整流穩壓器那樣處於大負荷短路狀態,這就達到了節能的目的。電路中R3為IC2的正反饋電阻,R7用於在Q1Q2截止時給蓄電池進行涓流充電,D9的作用是保證某些運算放大器的微量零漂輸出不至於導致Q4導通,而產生誤動作。

技術支持
聯係茄子APP下载
地址:江蘇省常州市武進區湖塘科技產業園
電話:0519-81695559
傳真:0519-83995559
手機:13376265559(沈經理)
E_mail:13376265559@qq.com
網 址:www.dingdongka.com
資深團隊,為您免費提供茄子网站在线观看解決方案,您還在等什麽?
蘇公網安備32041202003156號